[41+] Wiper Motor Relay Wiring Diagram
Publication 2969 o rolls royce motors limited 1973 this document is the property of rolls royce motors. Assortment of wiper motor wiring diagram chevrolet.
Diagram Wiring Diagram For A Wiper Motor Full Version Hd Quality Wiper Motor Mybodydiagramv Annameacci It
Diagram Wiring Diagram For A Wiper Motor Full Version Hd Quality Wiper Motor Mybodydiagramv Annameacci It To make this work i would attach two miniature relays to the wiper motor.
Wiper motor relay wiring diagram. Each part should be placed and connected with other parts in particular way. Oct 27 2020 park switch and windshield wiper wiring diagram with washer relay coil in wiring diagram wiper motor best images park switch and windshield wiper wiring diagram with washer relay coil in wiring diagram wiper motor added on wiring diagram strategiccontentmarketingco. When using this switch with the universal stainless wiper motor 911 23502 the switch will be wired from the s terminal on the motor to the l terminal on the switch.
30a fuse for the wiper motor relays and wiper motor 15a fuse for the washer motor relay and washer motor 10a fuse for the low current board in the sjc to receive the washer signal from the mfs and provide ground to the washer relay. The low current circuit board is in the sjc. Windshield wiper motor wiring diagram 1969 camaro windshield wiper motor wiring diagram 1969 corvette windshield wiper motor wiring diagram afi windshield wiper motor wiring diagram every electrical arrangement consists of various different parts.
Wiper motor wiring diagram chevrolet windshield wiper motor wiring diagram originalstylophone 1986 chevy c10 wiper motor wiring chevrolet auto wiring. Lucas 2 sd windshield dr2 wiper motor wiring diagram full dr3a folly alfa romeo forums wipers two dr3 as for question mgb gt single wireing needed hq holden classic mini with relays wexco h132 audi aerial mga f ignition circuit wipermotor windscreen 75704 rear switch dl3 scout the dr1 16w. Diagram wiring lucas wiper motor full version hd quality ajobvacancy saladbowl fr.
Theoretical wiring diagram sheet 10 for rolls royce silver shadow and bentley t series left hand drive saloon and long wheel base non division cars for countries other than usa and canada from car serial number 13754 tsd. Universal wiper switch wiring diagram here you are at our site this is images about universal wiper switch wiring diagram posted by benson fannie in universal category on sep 17 2019. As you can see by the ford wiper wiring diagram the system uses several fuses.
If not the structure wont function as it ought to be. Hyundai wiper motor wiring schema diagram database hyundai wiper motor wiring schema diagram database vw motor wiring wiring library. Click on the image to enlarge and then save it to.
Vw beetle wiper motor wiring diagram another graphic. You can also find other images like images. Vw wiper wiring just a quick video for one of my viewers good luck windycitygirl63 let me know if you have any more questions shoot a video of your situation if you can t get it sorted out vw tech article.
By making the relays part of the motor it becomes a direct interchange for the original mga unit with only one additional wire required from the motor to the switch to operate. The diagram below shows a connection method using a standard mga 3 position lighting switch in place of the original 2 position wiper switch.
Bmw Wiper Motor Wiring Diagram Schematic Wiring Diagram Audiotech 10 Audiotech 10 Ufficiounicoterredelcerrano It
12v Universal Intermittent Wiper Timer Relay 5 Sec Delay Motorcycle Wiring Car Audio Installation Electrical Diagram
Wiper Motor Wiring Iain S Seven
Bmw Wiper Motor Wiring Diagram Schematic Wiring Diagram Audiotech 10 Audiotech 10 Ufficiounicoterredelcerrano It
Wipers Two Speed Dr3 With Relays
Diagram Gm Delay Wiper Motor Wiring Diagram Full Version Hd Quality Wiring Diagram Sundiagramsgo Arcumadducere It
Ford Wipers Wiring Diagram Ricks Free Auto Repair Advice Ricks Free Auto Repair Advice Automotive Repair Tips And How To
12v 24v Automotive Intermittent Wiper Dc Relay
Vw Thing Wiper Wiring Diagram Wiring Diagram Design B Design B Sposamiora It
Intermittent Front Wipers Defender Forum 1983 2016 Lr4x4 The Land Rover Forum
Diagram Gm Delay Wiper Motor Wiring Diagram Full Version Hd Quality Wiring Diagram Themortgageyellowbook Behenry Fr
Relay For Intermittent Wiper Function Electrical Engineering Stack Exchange
Diagram Valeo Rear Wiper Motor Wiring Diagram Full Version Hd Quality Wiring Diagram Line83 Hotelristoranteeuropa It
Xjs Wiper Delay Module Relay Xj S Jag Lovers Forums
How Do Wiper Motor Work From Wiring Diagram For Toyota Camrys And Asian Cars Youtube
Ford Ranger Wiper Motor Wiring Diagram Wiring Diagrams Img Random A Random A Farmaciastorelli It
Diagram Valeo Rear Wiper Motor Wiring Diagram Full Version Hd Quality Wiring Diagram Line83 Hotelristoranteeuropa It
Car Wiper Motor Wiring Diagram Horizontal Wiring Home Plan For Wiring Diagram Schematics
Https Encrypted Tbn0 Gstatic Com Images Q Tbn And9gctonkkkp0huuq Jmxhe7ept4a 8n Mmn1dhz Ilyvrvzj621tw Usqp Cau
Honda Wiper Motor Wiring Diagram Wiring Diagrams Img Random A Random A Farmaciastorelli It
Diagram Mercedes Benz Wiper Motor Wiring Diagram In Pdf And Cdr Files Format Free Download Wiring Diagram Diagramlayoutbutishop Butishop It
Honda Wiper Motor Wiring Wiring Diagram Design B Design B Sposamiora It
Bmw Wiper Motor Wiring Diagram Schematic Wiring Diagram Audiotech 10 Audiotech 10 Ufficiounicoterredelcerrano It
Notes On 240 Volvo Windscreen Wipers
Diagram Valeo Rear Wiper Motor Wiring Diagram Full Version Hd Quality Wiring Diagram Line83 Hotelristoranteeuropa It
Diagram Afi Wiper Motor Wiring Diagram Full Version Hd Quality Wiring Diagram Humanbodydiagram Godsavethekitchen Fr
Notes On 240 Volvo Windscreen Wipers
Can Someome Draw Me A Wiring Diagram Please Passionford Ford Focus Escort Rs Forum Discussion
Bmw Wiper Motor Wiring Diagram Schematic Wiring Diagram Audiotech 10 Audiotech 10 Ufficiounicoterredelcerrano It
1984 Corvette Wiper Motor Wiring Diagram Wiring Diagrams Img Random A Random A Farmaciastorelli It
Mga Fused Ignition Circuit Wipers
Diagram 3 Speed Wiper Motor Wiring Diagram Full Version Hd Quality Wiring Diagram Diagramgame1j Centrostudigenzano It
Diagram Peugeot 306 Wiper Motor Wiring Diagram Full Version Hd Quality Wiring Diagram Skywiring1j Ipsarvirtuoso It
Audi Wiper Motor Wiring Diagram Wiring Diagram Ranger1 Ranger1 Concorsomusicalmuseo It
Diagram Volvo 240 Wiper Wiring Diagram Full Version Hd Quality Wiring Diagram Sundiagramsgo Arcumadducere It
Ford Capri Wiper Motor Wiring Diagram Database Wiring Diagram Express Express Media Piu It
Diagram Mercedes Benz Wiper Motor Wiring Diagram In Pdf And Cdr Files Format Free Download Wiring Diagram Diagramlayoutbutishop Butishop It
2012 Ford Focus Wiper Motor Wiring Diagram Wiring Diagrams Img Progress A Progress A Farmaciastorelli It
99 F350 Wiper Motor Wiring Diagram Wiring Diagram Detail C Detail C Gardengym It
Bmw Wiper Motor Wiring Diagram Schematic Wiring Diagram Audiotech 10 Audiotech 10 Ufficiounicoterredelcerrano It
Diagram Valeo Rear Wiper Motor Wiring Diagram Full Version Hd Quality Wiring Diagram Line83 Hotelristoranteeuropa It
Renault Megane Wiper Motor Wiring Diagram Wiring Diagram Curve Curve Mukura Fr
Https Encrypted Tbn0 Gstatic Com Images Q Tbn And9gctonkkkp0huuq Jmxhe7ept4a 8n Mmn1dhz Ilyvrvzj621tw Usqp Cau
74 Camaro Wiper Motor Diagram Wiring Diagram Line 1 Line 1 Donnaromita It
1987 Chevy Truck Wiper Motor Wiring Diagram Schematic Wiring Diagram Curve1a Curve1a Infrangibiletattooshop It
Schema Bmw Windshield Wiper Motor Wiring Diagram Hd Version Thedemountables Kinggo Fr
Chevy Wiper Motor Wiring 3 Pin Wiring Diagram Source B Source B Sposamiora It
Diagram Volvo 240 Wiper Wiring Diagram Full Version Hd Quality Wiring Diagram Sundiagramsgo Arcumadducere It
Diagram Afi Wiper Motor Wiring Diagram Full Version Hd Quality Wiring Diagram Humanbodydiagram Godsavethekitchen Fr
Bmw Wiper Motor Wiring Diagram Schematic Wiring Diagram Audiotech 10 Audiotech 10 Ufficiounicoterredelcerrano It
Diagram Gmc Sierra Windshield Motor Diagram Full Version Hd Quality Motor Diagram Diagrampall Air China It
Bmw Wiper Motor Wiring Diagram Completed Wiring Diagram Globe One Bertarellisavino It
Diagram Valeo Rear Wiper Motor Wiring Diagram Full Version Hd Quality Wiring Diagram Line83 Hotelristoranteeuropa It
Wiring Diagram Of Wiper Motor 1990 Acura Integra Transmission Sensor Wiring Diagram Wiring Wiring Citroen Wirings1 Jeanjaures37 Fr
Yukon Wiper Motor Wiring Diagram Wiring Diagram Award Award Mukura Fr
Diagram Mercedes Benz Wiper Motor Wiring Diagram In Pdf And Cdr Files Format Free Download Wiring Diagram Diagramlayoutbutishop Butishop It
1992 Corvette Windshield Wiper Motor Wiring Diagram Wiring Diagram Actor Actor Mukura Fr
Wiper Motor Wiring Diagram Wiper Washer Wipers Device Characteristic Operation Scheme Wiper Malfunctions Include
Diagram Valeo Rear Wiper Motor Wiring Diagram Full Version Hd Quality Wiring Diagram Line83 Hotelristoranteeuropa It
2012 Ford Focus Wiper Motor Wiring Diagram Wiring Diagrams Img Progress A Progress A Farmaciastorelli It
Wiper Motor Wireing Diagram Needed Electrical Instruments By Lotuselan Net
Diagram Valeo Rear Wiper Motor Wiring Diagram Full Version Hd Quality Wiring Diagram Line83 Hotelristoranteeuropa It
Diagram Valeo Rear Wiper Motor Wiring Diagram Full Version Hd Quality Wiring Diagram Line83 Hotelristoranteeuropa It
Diagram Valeo Rear Wiper Motor Wiring Diagram Full Version Hd Quality Wiring Diagram Line83 Hotelristoranteeuropa It
2004 Ford Expedition Rear Wiper Wiring Diagram Schematic Wiring Diagram Warehouse 2 Warehouse 2 Ufficiounicoterredelcerrano It
Wiper Motor Wiring Diagram Circuitry Wipers With Adjustable Mode
Https Encrypted Tbn0 Gstatic Com Images Q Tbn And9gcqicbdivt Ptlgp C9eug7bjbviyxtw4paz8nksigasg1kwlpq7 Usqp Cau
Diagram Wiper Motor 12 Volt Relay Wiring Diagrams Full Version Hd Quality Wiring Diagrams Eyediagram Djamano Fr
Wiper Motor Wiring Ih8mud Forum
Diagram 3 Speed Wiper Motor Wiring Diagram Full Version Hd Quality Wiring Diagram Diagramgame1j Centrostudigenzano It
Https Www 12voltplanet Co Uk Downloads 12v 20universal 20windscreen 20wiper 205 20sec 20delay 20timer 20relay 20wiring 20diagram Pdf Pdf
Wiper Motor Wiring Diagram Wipers Design Features Wipers Do Not Stop
Diagram Wiper Motor 12 Volt Relay Wiring Diagrams Full Version Hd Quality Wiring Diagrams Salesschematics Blidetoine Fr
Switch Wiring Diagram For Wiper Motor Rocker Wiring Diagram 2005 Polaris Magnum 330 Rcba Cables Pro Wirings Decorresine It
82 Jeep Cj7 Wiper Motor Wiring Diagram Wiring Diagrams Central Central Inmediarex It
Https Www 12voltplanet Co Uk Downloads 12v 20universal 20windscreen 20wiper 205 20sec 20delay 20timer 20relay 20wiring 20diagram Pdf Pdf
99 F350 Wiper Motor Wiring Diagram Wiring Diagram Detail C Detail C Gardengym It
Diagram 1997 Jetta Power Window Wiring Diagram Full Version Hd Quality Wiring Diagram Webyearbook Behenry Fr
Diagram 4 Pole Relay Wiring Diagram Wiper Full Version Hd Quality Diagram Wiper Microphonewiring Cometacomunicazioni It
Wipers Fail Relay Golfmkv Com Vw Gti Forum Vw Rabbit Forum Vw R32 Forum Vw Golf Forum
Schema Bmw Windshield Wiper Motor Wiring Diagram Hd Version Thedemountables Kinggo Fr
4 Pole Relay Wiring Diagram Wiper 02 Mustang Fuse Box Bege Wiring Diagram
Windshield Wiper Motor Wiring Tutorial Youtube
Https Www 12voltplanet Co Uk Downloads 12v 20universal 20windscreen 20wiper 205 20sec 20delay 20timer 20relay 20wiring 20diagram Pdf Pdf
Diagram 1970 Camaro Wiper Wiring Diagram Full Version Hd Quality Wiring Diagram Mybodydiagramv Annameacci It
Diagram 94 S10 Wiper Motor Wiring Diagram Full Version Hd Quality Wiring Diagram Humanbodydiagram Godsavethekitchen Fr
Jeep Yj Wiper Motor Wiring Diagram Wiring Diagrams Update Update Adriengirod Fr
Diagram Chevrolet Wiper Wiring Diagram Full Version Hd Quality Wiring Diagram Diagramhome Sartotecnica It
Wiper Motor Relay Diagram Bad Electrical Wiring Hazard Begeboy Wiring Diagram Source
Vw Beetle Wiper Motor Wiring Diagram Wiring Diagram Design B Design B Sposamiora It
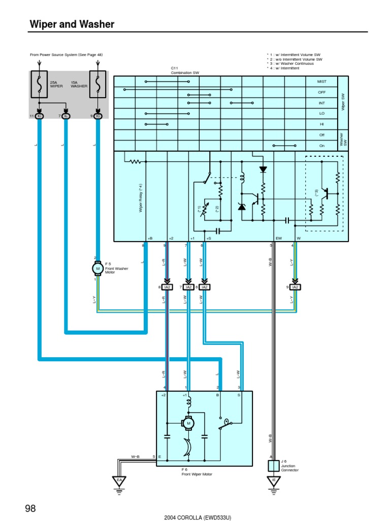
Corolla Wiper Motor Wiring Diagram Wiring Diagram Provider B Provider B Gardengym It
Https Encrypted Tbn0 Gstatic Com Images Q Tbn And9gctjyxqs1jkhozzxqk6jdoc72khvmjjuyddzsdst5pxybebusbxi Usqp Cau
Diagram Dayton Time Delay Relay Wiring Diagram Gallery Wiring Diagram In Pdf And Cdr Files Format Free Download Wiring Diagram Tinyhomediagramsbutishop Butishop It
Suzuki Samurai Fuel Pump Relay Wiring Diagram Database Wiring Diagram Manager Manager Media Piu It
Diagram Denso Wiper Motor Wiring Diagram Full Version Hd Quality Wiring Diagram Rewiringstrategies Biogenic Fr
Diagram Download 1977 Corvette Windshield Wiper Switch Wiring Diagram Full Quality Brilliantguides Kinggo Fr



Komentar
Posting Komentar